投资企业动态 | 新品发布!精密电阻网络产品ZJM5400系列,静电保护能力高达3.5kV
2024-06-04
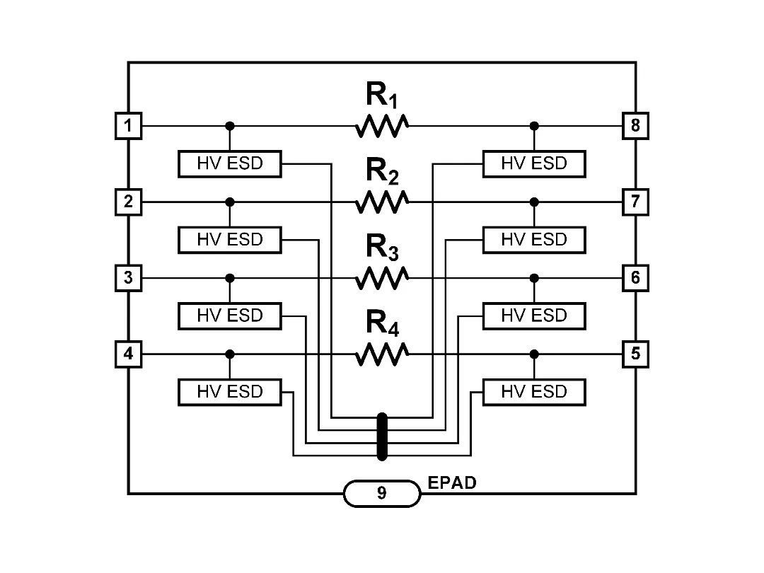
张江高科投资企业上海治精微电子有限公司(以下简称“治精微”),总部位于张江的高端模拟芯片方案供应商,宣布推出高达3.5 kV静电保护能力(HBM),含有四个相互高精度匹配的电阻器网络产品ZJM5400系列。ZJM5400系列包含了各种阻值及对应比值,共8个版本, MSOP8E的封装形式如下所示:

ZJM5400系列的封装及管脚定义
ZJM5400-1
10k
10k
ZJM5400-2
100k
100k
ZJM5400-3
10k
100k
ZJM5400-4
1k
1k
ZJM5400-5
1M
1M
ZJM5400-6
1k
5k
ZJM5400-7
1.25k
5k
ZJM5400-8
1k
9k
ZJM5400系列具体型号(阻值)

ZJM5400静电防护功能框图

ZJM5400与竞品在静电防护能力上的比较

ZJM5400电阻匹配分布图

ZJM5400电阻匹配(针对CMRR而言)分布图

ZJM5400电阻匹配随温度变化的曲线
ZJM5400的主要特点
高可靠性
低温漂
高精度
ZJM5400和已发布的ZJC2000 (18位400 kSPS高精度ADC) 系列产品,ZJC2100 (多通道18位400 kSPS高精度ADC) 系列产品,ZJC2541/ZJC2542 (18位高精度1 MSPS DAC) 系列产品,精密运放ZJA3000、ZJA3001、ZJA3512系列产品,精密电压基准源ZJR1004 (最高供电电压40 V,最大温度系数5 ppm/℃), ZJR1000 (最高供电电压15 V,最大温度系数5 ppm/℃),ZJR1001/2、ZJR1003及带保护功能多路复用器ZJG4438/ZJG4439配合,将更好地满足高精度信号处理系统的需求。治精微是全球业界少数可提供高性能、完整精密信号链芯片解决方案的供应商。张江高科成员企业张江浩成于2020年4月参与治精微A轮投资。